D.A.I.S. FR2000 im Einsatz beim EmsFestival in Rheine
Autor: Peter Kaminski
Auch dieses Jahr fand wieder das EmsFestival in Rheine statt. Vom 30. Juli bis zum 2. August 2009 lud der Veranstalter, die Stadt Rheine, zu kostenlosen Konzerten von Julia Neigel (s. Foto), ABBA Review, Rex Richter Quintett und Klesey Klamath Band ein. Weiter fanden noch diverse Veranstaltungen für Kinder, Comedy sowie die Schlagerparty der Hörfunkwelle WDR 4 statt.

Markant war die schwimmende Bühne, mit speziellen technische Anforderungen. proaudio.de schaute sich einmal etwas näher hinter den Kulissen um denn die eingesetzte Technik war schon bemerkenswert. Die Verbindung von Bühne zum FOH erfolgte über 150 m Fibrefox Glasfaserkabel durch das Wasser.

Kern der Audiotechnik war das D.A.I.S. FR2000 von Audio-Service, dem wir hier besondere Aufmerksamkeit schenken möchten. Als FOH-Mischpult war auf der anderen Uferseite ein YAMAHA M7CL48 mit drei MY16-AT sowie als Monitor-Mischer ein YAMAHA DM1000 im Einsatz.

Beim Ems-Festival 2009 auf der schwimmenden Bühne in Rheine war Jürgen Brüning mit seinem Audiokonzept Team für die gesamte Beschallungs- und Beleuchtungslogistik verantwortlich, die Produktionsleitung lag in diesem Jahr bei Raphael Berndzen und Andreas Grotenhoff, die für die durch die Ems verlegten Audioverbindungen, den FOH-Mix und die Mehrspurmitschnitte sorgte. Phil Kamp war für den Monitormix auf der Bühne zuständig.

Wir sprachen vor Ort mit Jürgen Brünning von audiokonzepte (rechts) und Andreas Grotenhoff von audial Tonstudio (links).
proaudio.de: Könnt Ihr ein paar Worte zu der Veranstaltung sagen und ist dies das erste EmsFestival gewesen was ihr Ton- und Bühnentechnisch betreut habt?
Jürgen Brüning (audiokonzept): Das EmsFestival in dieser Form als Open Air mit der schwimmenden Bühne betreuen wir als Firma schon das sechste Jahr. Die Budgets sind immer relativ knapp bemessen, wie häufig bei städtischen Veranstaltungen. Wir haben die Schwimmbühne auf Schwimmpontons im Rahmen der Regionale 2004 als solches auch selber geplant. Der Auf- und Abbau erfolgt immer vom örtlichen THW während wir grundsätzlich für die Bühnenkonstruktion inklusive der technischer Einbauten zuständig sind. Die Auftragsvergabe erfolgt meistens sehr kurzfristig vor der Veranstaltung. Das Festival kann übrigens kostenfrei besucht werden. Man hat von Anfang an Wert darauf gelegt ein sehr hochwertiges Programm anzubieten. Häufig gibt es auch eine Zusammenarbeit mit dem WDR-Hörfunk – wie diesmal mit WDR 4 - und namhafte Künstler werden zum Festival eingeladen.

Der FOH-Platz mit dem YAMAHA M7 war auf der anderen Seite der Ems.
proaudio.de: Die schwimmende Bühne erfordert sicherlich auch eine besondere Planung.
Jürgen Brüning (audio konzept): Ja sicher die Agenturen und Künstler kennen diese spezielle Umgebung natürlich nicht und die speziellen Anforderungen sind manchmal auch schwer zu vermitteln. Bei dem Konzert von Julia Neigel war zum Beispiel zunächst ein Flügel gefordert. Das ging natürlich auf Grund der Logistik nicht, so dass ein Digitalflügel zum Einsatz kam.
proaudio.de: Wie arbeitet Ihr eigentlich zusammen?
Andreas Grotenhoff (audial): Die eigentliche Koordination zwischen Recording und Beschallung ist sehr kurzfristig zu Stande gekommen. Das muss auch keinen großen Vorlauf haben, denn wir arbeiten schon 15 Jahre lang zusammen und da ist das Equipment entsprechend aufeinander abgestimmt. Die Zusammenarbeit ist auch mit der Verfügbarkeit der Technik gewachsen. Sie begann zunächst von meiner Seite als Dienstleister und ich habe als Monitor oder FOH-Mann gearbeitet. Ich habe aber auch eigene Jobs, wo ich dann wiederum Equipment von audiokonzept anmiete. Die zu betreuenden Veranstaltungen wurden zunehmend größer. Wir hatten von beiden Seiten die Motivation die technischen Kapazitäten auszubauen.
Jürgen Brüning (audiokonzept): Andreas von audial unterstützt uns da mit seiner Recording Hardware und dem DAIS FR2000 Fibre Road System, welches wir auch schon bei anderen Veranstaltungen eingesetzt haben, optimal.
proaudio.de: Ihr macht hier auch Recording?
Andreas Grotenhoff (audial): Ja, heute zum Beispiel schneiden wir das Konzert für Julia Neigel mit. Wir hatten erst vor kurzem ein Open Air in ähnlicher Größenordnung aber auf einer festen Bühne mit relativ großer Besetzung sprich Orchester plus Perkussion und Chor sowie Band mit fast 80 Leuten auf der Bühne. Da war auch, wie eben so häufig Recording gefragt.
Jürgen Brüning (audiokonzept): Wir haben uns vor zwei Jahren ein digitales Multicore-System angeschafft. Das System von Andreas bieten jedoch andere Vorteile, wenn man Recording und Live miteinander kombinieren möchte. Wir müssen ja hier auch mit dem Kabel durch das Wasser und das ist mit Glasfaserkabel natürlich kein Problem.
proaudio.de: Habt Ihr da auch Redundanz vorgesehen?
Andreas Grotenhoff (audial): Ja es gibt ein zweites LWL-Kabel das nicht durch das Wasser geht und quasi stand-by neben der Bühne für den Fall der Fälle liegt. Letztes Jahr hat z. B. ein Boot das Kabel zerstört. Für solche Fälle muss man natürlich gerüstet sein.
proaudio.de: Wie seit Ihr zu dem DAIS gekommen und wo seht ihr so die Vorteile des Systems im praktischen Einsatz?
Andreas Grotenhoff (audial): Ich habe für eine Veranstaltung in der Westfalenhalle das vorhandene Digital Multicore von audiokonzept geliehen und habe dabei festgestellt, dass sich das System zwar für Beschallung ganz toll einsetzen lässt, beim parallelen Recording-Einsatz zeigte sich jedoch, dass der FOH-seitig notwendige doppelte Abgriff der Signale für Livemix und Recording nur mit unverhältnismässig hohem Zusatzaufwand und eine Kette weiterer Interfaces erreichbar ist. Das hat mich dann dazu veranlasst, weiter zu forschen und ich bin durch die Empfehlung und tatkräftige Unterstützung von Uwe Seyfert von Innoton auf das System von Audio-Service aus Hamburg aufmerksam geworden und habe da schnell festgestellt, dass das FR2000 von der Struktur her schon auf die Verteilung der Signale auch für Recording-Zwecke angelegt ist. Das System habe ich seit November 2008 aktiv in Betrieb. Die Sinfonic Rock Night in Nordhorn war dann der erste reale Einsatz. Vorher haben ich das System lediglich kurze Zeit getestet und mich eingearbeitet.

Phil Kamp auf der Bühne war für den Monitormix zuständig.
proaudio.de: Könnt Ihr ein paar Sätze zum Aufbau des Systems sagen?
Andreas Grotenhoff (audial): Interessant ist auch, dass das Basissystem gar nicht so neu ist, sondern seit vielen Jahren ausgereift und bewährt in vielen anspruchsvollen Festinstallationen arbeitet. 2008 hat dann Audio-Service eine mobile Variante vorgestellt, eben das besagte DAIS FR2000 Fibre Road System. Man muss hier besonders die Kompaktheit des Systems herausstellen, die ich mit einer eigenen Flightcase-Konstruktion noch zusätzlich optimieren konnte. Ich mach mir immer wieder den Spaß das Ganze in einem Kleinwagen zu transportieren. Man benötigt extrem wenig Stellfläche und Transportaufwand.

Der Monitorplatz mit dem DM1000, den Amps und der Drahtlosanlage.
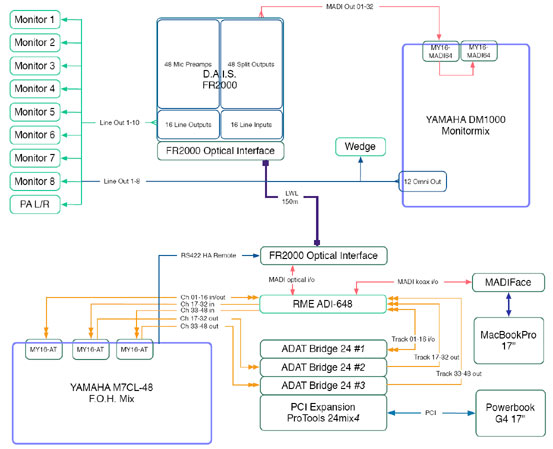
Andreas Grotenhoff (audial): Man kann direkt innerhalb des Systems routen bis hin zu der Möglichkeit sogenannte virtuelle Soundchecks durchzuführen. Dabei lassen sich im Mischpult die Live Inputs der Bühnensignale mit einem Knopfdruck durch die Rückspielung einer unmittelbar zuvor entstandene Mehrspuraufzeichnung des Soundchecks ersetzen, so dass detailiertere Mischpulteinstellungen auch ohne die Musiker auf der Bühne stattfinden können. Das System besteht aus einer zentralen Stagebox, die auch gleich die Mikrofon-Vorverstärker bereitstellt. Mein System ist so konfiguriert, dass es 48 Mikrofon-Preamps mit Splittern und 16 Line-Eingänge sowie 16 Line-Rückwege bietet. Auf der Bühne steht ein YAMAHA DM1000 das über MADI angebunden ist. Als FOH-Pult wird hier ein YAMAHA M7CL-48 benutzt welches über drei MY16-AT ADAT-Karten angekoppelt ist. Die Auflösung von MADI auf separierte ADAT-Kanäle erfolgt über eine Hardware von RME. Hier ist das ADI-648 im Einsatz. Für das Recording setzen wir heute ein Macbook Pro mit einer RME MADIface-Karte ein. Zusätzlich gibt es noch ein mobiles Pro Tools mit 48 Eingängen. Das kann dann parallel laufen. Es kann sowohl FOH-Seitig als auch Bühnenseitig aufgenommen werden. Wir mussten es heute aus organisatorischen Gründen statt vom Monitorplatz kurzfristig vom FOH aus aufnehmen. Aber das System ist so flexibel, dass solch eine Umstellung kein Problem darstellt. Das ist in Kürze eingerichtet.

Hier das 19-Zoll-Rack mit dem D.A.I.S. FR2000
Mit den Drehgebern an der M7CL-48 oder dem DM1000 lassen sich die Mikrofonvorverstärker auf der Bühne über eine RS-422-Steuerleitung bedienen. Die Steuerdaten werden über das selbe LWL-Kabel übertragen. In dem DAIS-Bühnenmodul werden Gain, Phantomspeisung und Filterparameter dann entsprechend gesetzt. Das D.A.I.S. FR2000 besteht aus einem modulare bestückbarem XLR-Steckfeld und einem 19-Zoll-Mainframe mit YAMAHA-kompatiblen Kartenslots. Audio-Service bietet hier auch extrem kompakte Mikrofon-Preamp-Karten an, die aber keine eigenen Bedienelemente besitzen. YAMAHA-Digitalmischpulte sind werkseitig für die Fernsteuerung von YAMAHA-Mikrofonvorverstärker vom Pult aus vorbereitet. Über diese Funktionalität werden auch die Preamps im DAIS vom Pult aus gesteuert. Diese verhalten sich so wie die originalen YAMAHA-Preamps. Die A/D-Wandlung erfolgt einmalig direkt auf der Bühne gemeinsam für FOH und Recording. Ab da sind alle Verbindungen digital vernetzt und das macht die Sache flexibel, betriebssicher und schnell. Man hat auch viel mehr Möglichkeiten in der klanglichen Gestaltung weil FOH, Monitor und Recording voneinander völlig unabhängige Signale zugeteilt bekommen.

Viel kompakter geht es wohl kaum noch ...
Jürgen Brüning (audiokonzept): Die Flexibilität, dass man z. B. den Monitormix von der Bühne oder vom FOH-Platz machen kann führt z. B. dazu, dass bei Halbplayback-Acts nicht noch einen zusätzlichen Mischplatz benötige sondern das einfach von vorne vom FOH mache. Das ist natürlich schon extrem bequem.

proaudio.de: Wie sind denn die Systemkosten einzuordnen?
Andreas Grotenhoff (audial): Aus meiner Sicht liegt das System verglichen mit anderen in Bezug auf Audioqualität, Flexibilität und Kompaktheit ganz vorne. Der Preis liegt in der Mittelklasse, der sich durch die Flexibilität und die integrierten Mikrofonvorverstärker noch relativiert. Der Preisrahmen für ein System bewegt sich im Bereich zwischen 10.000 und 30.000 Euro, je nach Ausbau.
www.innoton.de
www.audio-service.com
www.audiokonzept.de
www.audial.de
How to resolve AdBlock issue?