On-Air-Mix-Konzept beim Eurovision Song Contest 2011
Fotos: Peter Kaminski
Diagramme: Ulli Fricke u.Sven-Eric Schmidt

Die Salzbrenner Stagetec Mediagroup unterstützt die Produktion mit drei zusätzlichen AURUS-Pulten, einer umfangreichen Erweiterung zum NDR-eigenen NEXUS Audionetzwerk und mit zwei Mitarbeitern, die schon beim Aufbau, den Proben und natürlich bei den Live-Sendungen vor Ort Unterstützung leisteten.
Für die On-Air-Mischung gab es vier Regien und zwar in drei Doppel-Container sowie in einem Ü-Wagen des NDR. Alle Regien waren mit Aurus-Digitalpulten von Stagetec ausgestattet. Ein weiteres Aurus war noch im Ü3 des NDR für die Übertragung im Pressezentrum im Einsatz.

Die Container (s. Foto oben u. unten) waren entsprechend akustisch ausgestattet. Über den Studiobau gibt es einen eigenen Beitrag und zwar ESC 2011: Studiobau, der detailierte Auskunft über die Konstruktion und akustische Gestaltung gibt.

Struktur und Havarie-Konzept
Es gab folgende vier Regien, die man quasi in zwei Sendestraßen unterteilen konnte: Music-Mix 1 mit dem dazugehörigen Final-Mix 1, sowie Music-Mix 2 mit dem dazugehörigen Final-Mix 2. Jede Finalregie hatte zudem zwei Dolby-E-Encoder mit dazu gehörigen Nexus-3G-Embeddern Jede der Regien konnte autark sein und im Havariefall die Haupttonregie sein, da alle Regien über eigene unabhängige Nexus-Router verfügten.
Die in der Nexus gebildeten virtuellen Sendeschalter konnten die Stereo und 5.1-Signale aus beiden Finalregien, die durch die aufwendige MADI-Verschaltung überall redundant vorlagen, dem Sendeweg vor den Dolby-Encodern zuordnen. Da es bildseitig auch einen Backup-Ü-Wagen gab, wurden damit der jeweilige, durch den Sendeschalter schaltbare Sendeausgang einmal mit dem Bild des Main-Ü-Wagen und einmal mit dem Bild des Backup-Ü-Wagens gebildet. Diese insgesamt vier Sendesignale mit Bild und Ton aus den Finalregien waren im sogenannten EBU-Switch auf den Sendeausgang schaltbar. Das folgende Diagramm macht das Konzept deutlich. Mehr zum Theama Audiovernetzung finden Sie in dem Beitrag ESC 2011: Audiovernetzung und Intercom.

Es gab vier Bildsignale – jeweils zwei mit identischen Bildinhalten aber unterschiedlichen Tönen. Bei einer Tonhavarie wäre so identisches Bild auf Bild umgeschaltet worden. Damit hätte man ohne Bildausfall die embeddete Audioquelle gewechselt. Die Videocrew hätte in einem solchen Fall also nicht den Ü-Wagen wechseln müssen.
Durch den Sendeschalter konnte man einen separaten Stereo-Mix, gebildet durch einen Downmix aus dem 5.1-Signal der Finalregie 1 auf den Stereosendeausgang, sowie ein 5.1–Signal aus der Finalregie 2, auf den 5.1 – Sendeausgang legen. Die beiden Audiosignale wurden in den Sendestraßen vollständig abgehört und so auf Stereo bzw. 5.1 optimiert. Dadurch waren alle vier Regien am Sendesignal beteiligt.
MADI-Vernetzung der Pulte
Die vier Regien waren alle über Doppel-MADI untereinander verbunden. Über die MADI-Vernetzung war es möglich alle Programmanteile in jeder Richtung zu verteilen. D. h. jeder konnte alle Anderen abhören und zwar in Stereo und in 5.1 mit entsprechender Dämpfung. Damit wer es erst möglich das z. B. der Final Mix 1 auch das Signal des Final Mix 2 im Havariefall hätte senden können und umgekehrt.

ESC 2011 MADI-Verbindungen (96.42 kB)
Dabei gibt es zwar eine MADI-Adresse für 64-Audiowege aber die Wege selbst sind doppelt ausgeführt. Sollte eine Leitung ausfallen wird unhörbar auf die Redundanzleitung umgeschaltet. In der Grafik sind die Redundanzverbindungen rot gekennzeichnet.
Einbindung Effektprozessoren
Es wurden für die On-Air-Mixe auch jede Menge an Effektgeräten eingesetzt. Ein Überblick über die Vernetzung der Processoren gibt folgende Grafik.

ESC 2011 Effektwege (417.79 kB)
In den Musikregien standen als Effektgeräte je ein TC Electronic System 6000, Lexion 960L und 480L, Lexion PCM 70, PCM 81 und PCM 96 sowie Eventide H 3000 zur Verfügung. In den beiden Final-Mix-Studios kamen Lexicon PCM 81/91 zum Einsatz. In allen vier Studios wurde weiter je ein Jünger T*AP Surround Loudness Processer eingesetzt.
Container-Studios und Ü-Wagen

Alle vier Aurus-Pulte für den On-Air-Mix verfügten über jeweils 48 Faderzüge und sieben DSP-Einheiten. Die drei zusätzlich bereitgestellten Aurus Digitalpulte waren noch jeweils mit zwei NEXUS-Basisgeräten (6 und 12 HE) ausgestattet. Im Ü-Wagen sind sechs NEXUS-Basisgeräte vorhanden.
Die großen Basisgeräte waren in den Studios als Anschlussbox installiert und vor allem mit AES/EBU-Schnittstellen und HD-SDI-Karten bestückt. Das gilt auch für den Ü-Wagen, der auch schon mit den HD-SDI-Karten versehen ist. NEXUS de-embedded daraus den Ton, bearbeitet ihn und re-embedded ihn ohne Zeitverzögerung. Um eventuelle Laufzeitunterschiede vorangegangener Bearbeitungsstufen auszugleichen, sind die Karten mit Video-Delays bestückt, die bis zu 15 Frames (SD), bzw. acht Frames (3G/HD) verzögern können. Die kleinen Basisgeräte warrn eher mit Mikrofoneingängen bestückt und wurden als Stageboxes verwendet.

Hier die Aurus Digitalkonsole im Studio Music-Mix-1 und die beiden Toningenieure des Studios Andre Brickwedde und Gero von Gerlach sowie rechts Head of Sound Ulli Fricke.

Neben an im Music-Mix-Studio 2 (Foto oben) waren Askan Siegfried (links) und Cornelius Behrens (rechts) an der Aurus-Konsole tätig.

Im Final Mix 1 war im hinteren Bereich des Studios das Playout Center untergebracht (s. unten).

Als Toningenieuringin hier an den Fadern Ulla Arens vom NDR

Hier der Arbeitsplatz mit Stagetec Aurus-Konsole des Final-Mix 2 im Ü1 HD des NDR.
Playout Center
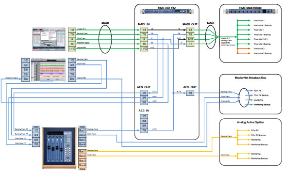
Auch die Technik des Playout Center wurde redundant aufgebaut (s. Foto unten, Andre Ilchmann u. Thies Schwichtenberg). Als Zuspieler wurde Eventdriver und Pro Tools genutzt, die so verschaltet waren, dass der Eventdriver ein Timecode-Signal abgegeben und Pro Tools sich im Jam Sync direct draufsynchronisiert hat. Über ein Digitalpult wurden die Signale vom Eventdriver und Pro Tools zusammengeführt und ausgegeben.

Das Pro Tools-System selbst war über ein 20-kHz-Pilotton geducked. Wenn der Eventdriver aus irgend einem Problem stehen geblieben wäre, wäre Pro Tools mit einer minimalen Verzögerung sofort als Ersatz automatisch eingeblendet worden. Auch der Timecode wurde übrigens geducked und wäre im Fehlerfall vom Pro Tools ebenfalls mit einem Crossfade übernommen worden. Das funktionierte erstaunlicherweise einwandfrei. Wichtig war dies, da der Timecode vom Playback Center auch für die Steuerung des Lichts und der Pyrotechnik herangezogen wurde.

ESC 2011 Playout-Konzept (100.81 kB)
Einziger Punkt, der automatisch nicht abgefangen wurde wäre der Fall, dass der Eventdriver stehen bleibt und dann wieder anfährt. Dann wäre ja ein falscher Timecode ausgegeben worden. Ein Operator im Playout Center hätte dann den Eventdriver in diesem Fall manuell stoppen müssen.
Urheberhinweis: Bitte beachten Sie, dass die Nutzung der Fotos und Grafiken sowie sonstigen Abbildungen, die Erlaubnis der Urheber erfordert. Eine Veröffentlichung oder Nutzung ohne deren Zustimmung ist nicht gestattet.
How to resolve AdBlock issue?